B급 Push-pull 증폭기
▷ 전력 변환 효율을 높임과 동시에 큰 진폭의 신호를 처리하기 위해 사용.
▷ NPN 형 BJT 와 PNP 형 BJT 의 상보형 구조임.

★ NPN BJT 동작 : Emitter Follower ( Collector 공통) (순방향 – Push 동작)
▷ Av 는 거의 1이니까 진폭은 같고, 전압레벨은 Vbe 정도 차이가 난다.
★ PNP BJT 동작 : NPN 과 동일하지만 역방향 동작임 (Pull 동작)
P.S : 실제 BJT 는 Vbe 0.7V 를 가짐으로 출력파형에 교차왜곡이 발생한다.
★ B급 Push-Pull 증폭기의 전력 효율

★ B급 Push-Pull 증폭기의 최대 소비전력 Pd 와 평균전력 PL

★ B급 증폭기를 구성하는 트렌지스터의 정격은 부하에 공급되는 최대전력의 약 20% 이상 되어야 한다.
▷ 트렌지스터 정격의 약 5배 정도의 최대 출력 전력을 얻을 수 있음.
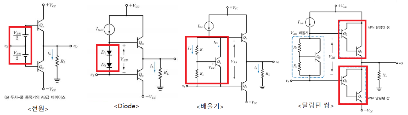
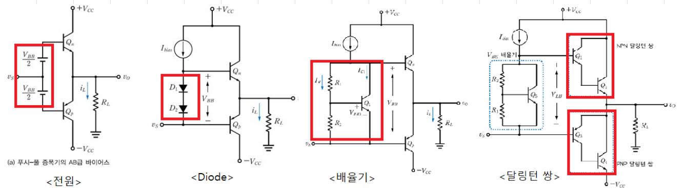
AB급 Push-pull 증폭기
▷ B급 증폭기의 교차 왜곡 제거를 위해 사용한다.
▷ TR Base 단에 Vbe/2 전원을 걸어줘서 도통할 수 있도록 한다.
☞ 전원을 연결하면 회로 구성이 어렵기 때문에 Diode, 배율기, 달링톤 쌍 회로를 사용하여 구성하기도 한다.
☞ 달링톤 쌍 회로는 푸쉬풀 출력단의 전류 공급 능력을 크게 하기 위해 사용된다.
▷ B급 증폭기에 비에 소비전력이 약간 증가한다.

트렌지스터의 열 전달 모델에 관하여
▷ 방열대책이 필요
☞ TR 에 전류가 흐르면 Pd에 의한 전력 소비가 발생하여 열로 방출되어 소자 온도가 상승함.
☞ 온도 상승에 의한 소자 손상을 방지하기위해 허용가능한 온도의 최대치가 규정된다.
☞ TR 의 허용 최대 소비전력은 정격 전력으로 규정된다.
☞ 온도에 따른 최대 전력 소비 특성을 나타낸 전력경감 곡선이 있다.

☞ 접합에서 발생된 열이 대기중으로 방출되는 열 전도의 저항을 열저항 이라고 한다.
☞ 이러한 열 방출을 위해 Heat Sink 를 사용한다.
'Basic > 기초 전자 회로' 카테고리의 다른 글
| 반도체 소자와 집적회로 - 반도체와 PN접합 (0) | 2023.08.14 |
|---|---|
| 반도체 소자와 집적회로 - 전자와 에너지 (0) | 2023.08.13 |
| MOSFET 증폭기 간단 정리 (0) | 2023.05.17 |
| 차동 증폭기와 전력 증폭기 간단 정리 (0) | 2023.05.16 |
| RF 수동 소자 (0) | 2022.02.10 |