I2C 통신이란?
I2C(I-square-C, '아이스퀘어시'라고 보통 부른다)란 필립스가 제안한 통신 방식이다.
Inter-IC라고도 불리지만 이 명칭은 그리 잘 쓰이지 않는 명칭이다.
필립스는 TV, VCR, 오디오 장비 등과 같은 대량 생산되는 제품용으로 I2C 버스를 이미 20년 전에 소개했는데
지금은 내장 장치를 다루기 위한 사실상의 표준 솔루션이 되었다.
I2C 버스는 각 장치에 7비트와 10비트 주소를 지정하여 여러 장치들을 독립적으로 접근할 수 있다.
SDA(Serial DAta Line) 신호선과 SCL(Serial Clock Line) 신호선으로 통신의 주체가 되는 마스터인 MCU와
통신 대상이 되는 주변 장치인 슬레이브(slave) 간에 데이터를 전달하고 받는다.

SCL 과 SDA
I2C 버스를 이용하여 MCU가 디바이스에 데이터를 써 넣거나 읽어 들이기 위해서는 SCL과 SDA라는 신호선을 제어해야 한다.
SCL 이란?
- 데이터를 전달하기 위한 동기용 클럭을 전달하는 신호선 (단방향)
SDA 이란?
- 전달하고자 하는 데이터의 비트 정보를 표현하기 위한 신호선 (양방향)
SCL은 데이터의 전달을 위한 클럭 동기 신호선으로 이 클럭 신호는 마스터에서 공급한다.
그래서 SCL은 마스터에서 슬레이브로 전달되는 단방향 신호선이다.
SDA는 마스터에서 슬레이브로 데이터를 전달하거나 슬레이브에서 마스터로 데이터를 가져오기 때문에
양방향 신호선이다.
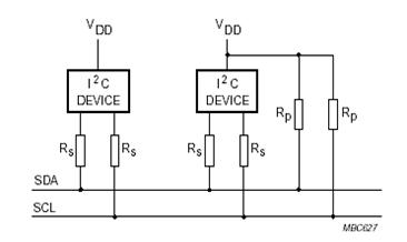
하드웨어 구성
SDA와 SCL은 모두 한 라인에 물리게 되는데, 다음과 같은 부가회로가 필요하다.

Rs : 내부보호회로 (보통 100 Ω 사용)
Rp : Pull-Up저항 (보통 4.7 kΩ 사용)
'Basic > 기초 전자 회로' 카테고리의 다른 글
| MOSFET 증폭기 간단 정리 (0) | 2023.05.17 |
|---|---|
| 차동 증폭기와 전력 증폭기 간단 정리 (0) | 2023.05.16 |
| RF 수동 소자 (0) | 2022.02.10 |
| UART 통신 (0) | 2021.08.15 |
| 정류회로 간단 정리 (0) | 2021.08.14 |